In December 2025, the globally leading IC solution provider Diodes Incorporated released its latest wide-input synchronous DC-DC buck reference design, AP6ACO5ZCW20-EVM.
The main inductor used in this reference design is CODACA’s high Current Power Inductor CSCF3218-6R8MC. With core characteristics including high current capability, low core loss, low impedance, and ultra-low DC resistance, it not only supports a wide range of industrial solutions but also directly enables the reference design to achieve outstanding conversion efficiency.

1 – Solution Overview
The AP6ACO5ZCW20-EVM is an adjustable-frequency synchronous DC-DC buck controller featuring a highly integrated design with minimal external components. It simplifies PCB layout, reduces space requirements, and serves as an ideal choice for distributed power architectures.

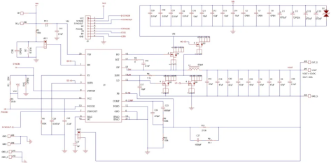
Figure 1 AP6ACO5ZCW20-EVM Reference Board
As shown in Figure 1, the evaluation board adopts CODACA’s self-developed high Current Power Inductor CSCF3218-6R8MC as the core energy storage and conversion component. Its electrical characteristics — including high saturation current, low impedance, and low temperature rise — make it widely suitable for the following applications:
◾ General-purpose DC-DC power conversion
◾ Automotive infotainment systems
◾ Telecommunications systems and distributed power systems
◾ Home audio and consumer electronics
◾ Power supplies for FPGA, DSP, and ASIC devices

Figure 2 Synchronous Buck Topology Circuit Diagram
2 – Efficiency Test: Inductor Performance Enabling Outstanding Results
2.1 Test Conditions
Input Voltage (Vin): 24 V – 100 V (covering typical industrial power supply scenarios)
Output Voltage (Vout): 12 V (aligned with common industrial equipment output specifications)
Main Inductor (L): 6.8 μH (CODACA CSCF3218-6R8MC, precisely matched to the reference design requirements)
Switching Frequency (Fsw): 100 kHz

Figure 3 Conversion Efficiency Curve

Figure 4 Partial BOM List
2.2 Test Results and Correlation Analysis
Test results show that the AP6ACO5ZCW20-EVM evaluation board, leveraging the synergy of the Diodes AP6ACO5ZCW20 buck controller, two high-performance MOSFETs (DMT15H017LPS & DMT12H007LPS), and the CODACA CSCF3218-6R8MC inductor, demonstrates outstanding conversion efficiency.
Under heavy-load conditions with a small duty cycle (large voltage differential), efficiency remains consistently above 90%, with a peak efficiency of up to 97%. This performance is directly related to the core characteristics of the CSCF3218-6R8MC, highlighting the critical role of the inductor in supporting the overall performance of the reference design.
3 – High-Performance Inductors Enabling Industrial Power Efficiency Upgrades
The high Current Power Inductor CSCF3218-6R8MC used in the AP6ACO5ZCW20-EVM reference design is independently developed by CODACA. Its key features are as follows:
3.1 Core Product Features
◾ Low Core Loss:
Reduces magnetic energy loss during power conversion and serves as a key factor in enabling the reference design to achieve peak efficiency of 97%, aligning with industrial power energy-saving requirements.
◾ Ultra-Low DC Resistance:
Minimizes conduction loss and temperature rise, ensuring efficiency remains above 90% under heavy-load conditions and extending product lifespan.
◾ Effective Magnetic Shielding:
Provides strong resistance to electromagnetic interference, ensuring stable operation in complex industrial electromagnetic environments.
◾ Auxiliary Terminal Design:
Enhances vibration resistance, making it suitable for demanding applications such as industrial systems and automotive electronics while maintaining stable efficiency performance.

3.2 Key Electrical Characteristics
Inductance: 6.8 μH, precisely matched to the reference design, providing a solid foundation for stable efficiency performance.
Saturation Current: 55 A; Temperature Rise Current: 50 A, supporting stable operation under heavy-load and wide-input conditions while preventing efficiency degradation.

Current Curve
Excellent Thermal Stability:
Operates continuously from -40°C to +125°C, suitable for extreme industrial environments and ensuring no performance degradation.
3.3 Environmental Compliance
Compliant with RoHS, REACH, and halogen-free environmental standards. Suitable for export and high-end product requirements, helping reduce customer compliance costs.
3.4 Conclusion
The CODACA CSCF3218 series high Current Power Inductor, featuring low core loss, ultra-low DC resistance, and high saturation current, serves as the preferred main inductor for the Diodes AP6ACO5ZCW20-EVM reference design. It enables peak efficiency of 97% and maintains stable efficiency above 90% under heavy-load conditions.
With its flat-wire winding technology, effective magnetic shielding, and robust structural design, the series effectively addresses key challenges in industrial power applications, including high efficiency, strong anti-interference capability, and high reliability, making it suitable for high-power demands across multiple fields.
Backed by CODACA’s 25 years of inductor R&D experience, stable mass production capability, and customized service support, the CSCF3218 series not only provides reliable core support for this reference design but also offers cost-effective and highly reliable inductor solutions for industrial power efficiency upgrades and compact integration. It demonstrates CODACA’s technical strength and core competitiveness in the high Current Power Inductor field.
The CSCF3218-6R8MC is already in mass production with a lead time of 4–6 weeks, meeting customer volume production requirements. For detailed specifications, complete test data, or sample evaluation, please visit the CODACA official website or contact the sales team.
To meet the design requirements of high current, high power, low loss, and high reliability in power conversion applications, CODACA has developed multiple high Current Power Inductor series, including CSBX, CPEX, CPCFA, CSCF, and CPCF, which are widely used in power electronics conversion solutions.